技术参数:
电机型号 (Model) | 保持转矩 (N.m) | 机身长度 (mm) | 相电流 (A) | 相 电 阻 (Ω) | 相电感 (mH) | 转动惯量 (g.c㎡) | 重量 Kg | 适配驱动器 (推荐型号) |
08HS30-06D4-21□□ | 0.016 | 30 | 0.6 | 6.5 | 1.5 | 2 | 0.05 | SD-422R |
08HS38-06D4-21□□ | 0.026 | 38 | 0.6 | 4.5 | 1.5 | 3 | 0.06 | SD-422R |
08HS40-08D4-21□□ | 0.032 | 40 | 0.8 | 5.5 | 1.5 | 3 | 0.08 | SD-422R |
★ 推荐驱动器是脉冲型,还可以为客户提供以下驱动:
★ 总线型步进驱动器、IO控制、电位器调速、刹车控制。
命名规则:
08HS30-06D4-21□□ | |
命名段 | 含义 |
08 | 电机外径20mm |
HS | 两相步进 |
30 | 机身长度30mm |
06 | 额定电流0.6A |
D | 出轴方式:A圆轴;D单扁;U键槽;V双扁 |
4 | 输出直径4mm |
21 | 出轴长21mm |
□□ | 非标参数 |
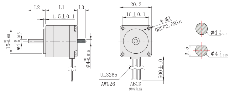
外形尺寸图:

★本系列电机可以根据客户要求定制:机身长度(L1)、出轴长度(L2)、双出轴(L3)、出线方式。
力矩曲线图:



注意事项:
●同一电机同一驱动器,在供电电压不同的情况下,输出力矩也会不同,建议客户充分考虑此因素,选型时预留足够的力矩余量。
●驱动器电压越高,高速输出力矩越大,但不能超出驱动器的电压使用范围,建议电压小于或等于24VDC。
型号 | PDF文件 | 3D图 |
08HS30-06D4-21 | 点击下载 | 点击下载 |
08HS38-06D4-21 | 点击下载 | 点击下载 |
08HS40-08D4-21 | 点击下载 | 点击下载 |
技术参数:
电机型号 (Model) | 保持转矩 (N.m) | 机身长度 (mm) | 相电流 (A) | 相 电 阻 (Ω) | 相电感 (mH) | 转动惯量 (g.c㎡) | 重量 Kg | 适配驱动器 (推荐型号) |
08HS30-06D4-21□□ | 0.016 | 30 | 0.6 | 6.5 | 1.5 | 2 | 0.05 | SD-422R |
08HS38-06D4-21□□ | 0.026 | 38 | 0.6 | 4.5 | 1.5 | 3 | 0.06 | SD-422R |
08HS40-08D4-21□□ | 0.032 | 40 | 0.8 | 5.5 | 1.5 | 3 | 0.08 | SD-422R |
★ 推荐驱动器是脉冲型,还可以为客户提供以下驱动:
★ 总线型步进驱动器、IO控制、电位器调速、刹车控制。
命名规则:
08HS30-06D4-21□□ | |
命名段 | 含义 |
08 | 电机外径20mm |
HS | 两相步进 |
30 | 机身长度30mm |
06 | 额定电流0.6A |
D | 出轴方式:A圆轴;D单扁;U键槽;V双扁 |
4 | 输出直径4mm |
21 | 出轴长21mm |
□□ | 非标参数 |
外形尺寸图:

★本系列电机可以根据客户要求定制:机身长度(L1)、出轴长度(L2)、双出轴(L3)、出线方式。
力矩曲线图:



注意事项:
●同一电机同一驱动器,在供电电压不同的情况下,输出力矩也会不同,建议客户充分考虑此因素,选型时预留足够的力矩余量。
●驱动器电压越高,高速输出力矩越大,但不能超出驱动器的电压使用范围,建议电压小于或等于24VDC。
型号 | PDF文件 | 3D图 |
08HS30-06D4-21 | 点击下载 | 点击下载 |
08HS38-06D4-21 | 点击下载 | 点击下载 |
08HS40-08D4-21 | 点击下载 | 点击下载 |
18825289603