技术参数:
型号 (Model) | 保持转矩 (N.M) | 机身长度 (mm) | 相电流 (A) | 相 电 阻 (Ω) | 相电感 (mH) | 转动惯量 (g.c㎡) | 重量 Kg | 适配驱动器 型号 |
11HS32-07D5-21□□ | 0.060 | 32 | 0.7 | 5.80 | 4.20 | 15 | 0.13 | SD-422R |
11HS45-07D5-21□□ | 0.095 | 45 | 0.7 | 7.00 | 5.00 | 28 | 0.20 | SD-422R |
11HS52-07D5-21□□ | 0.110 | 52 | 0.7 | 9.00 | 7.00 | 35 | 0.25 | SD-422R |
★ 推荐驱动器是脉冲型,还可以为客户提供以下驱动:
★ 总线型步进驱动器、IO控制、电位器调速、刹车控制。
命名规则:
11HS32-07D5-21□□ | |
命名段 | 含义 |
11 | 电机外径28mm |
HS | 两相步进 |
32 | 机身长度32mm |
07 | 额定电流0.7A |
D | 出轴方式:A圆轴;D单扁;U键槽;V双扁 |
5 | 输出直径5mm |
21 | 出轴长21mm |
□□ | 非标参数 |
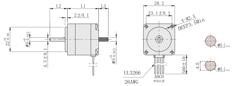
尺寸图(单位mm):

★本系列电机可以根据客户要求定制:机身长度(L1)、出轴长度(L2)、双出轴(L3)、出线方式。
力矩曲线图:



注意事项:
●同一电机同一驱动器,在供电电压不同的情况下,输出力矩也会不同,建议客户充分考虑此因素,选型时预留足够的力矩余量。
●驱动器电压越高,高速输出力矩越大,但不能超出驱动器的电压使用范围,建议电压小于或等于24VDC。
型号 | PDF文件 | 3D图 |
11HS32-07D5-21 | 点击下载 | 点击下载 |
11HS45-07D5-21 | 点击下载 | 点击下载 |
11HS52-07D5-21 | 点击下载 | 点击下载 |
技术参数:
型号 (Model) | 保持转矩 (N.M) | 机身长度 (mm) | 相电流 (A) | 相 电 阻 (Ω) | 相电感 (mH) | 转动惯量 (g.c㎡) | 重量 Kg | 适配驱动器 型号 |
11HS32-07D5-21□□ | 0.060 | 32 | 0.7 | 5.80 | 4.20 | 15 | 0.13 | SD-422R |
11HS45-07D5-21□□ | 0.095 | 45 | 0.7 | 7.00 | 5.00 | 28 | 0.20 | SD-422R |
11HS52-07D5-21□□ | 0.110 | 52 | 0.7 | 9.00 | 7.00 | 35 | 0.25 | SD-422R |
★ 推荐驱动器是脉冲型,还可以为客户提供以下驱动:
★ 总线型步进驱动器、IO控制、电位器调速、刹车控制。
命名规则:
11HS32-07D5-21□□ | |
命名段 | 含义 |
11 | 电机外径28mm |
HS | 两相步进 |
32 | 机身长度32mm |
07 | 额定电流0.7A |
D | 出轴方式:A圆轴;D单扁;U键槽;V双扁 |
5 | 输出直径5mm |
21 | 出轴长21mm |
□□ | 非标参数 |
尺寸图(单位mm):

★本系列电机可以根据客户要求定制:机身长度(L1)、出轴长度(L2)、双出轴(L3)、出线方式。
力矩曲线图:



注意事项:
●同一电机同一驱动器,在供电电压不同的情况下,输出力矩也会不同,建议客户充分考虑此因素,选型时预留足够的力矩余量。
●驱动器电压越高,高速输出力矩越大,但不能超出驱动器的电压使用范围,建议电压小于或等于24VDC。
型号 | PDF文件 | 3D图 |
11HS32-07D5-21 | 点击下载 | 点击下载 |
11HS45-07D5-21 | 点击下载 | 点击下载 |
11HS52-07D5-21 | 点击下载 | 点击下载 |
18825289603