技术参数
电机 规格 | 机身长(mm) | 相电流 (A) | 相电阻 (Ω) | 相电感 (mH) | 转动惯量 (g.c㎡) | 重量 Kg | 驱动器 |
34 | 76 | 6.0 | 0.5 | 4 | 1300 | 2.4 | SA-872E |
34 | 114 | 6.0 | 0.6 | 8 | 250 | 5.0 | SA-872E |
★ 推荐驱动器是脉冲型,还为客户提供以下驱动:
★总线型步进驱动器、★IO控制、★电位器调速。
直线丝杆(mm) | 导程(mm) | 步长(mm) | 断电自锁力(N) |
15.875 | 2.54 | 0.0127 | 2000 |
3.175 | 0.015875 | 1500 | |
6.35 | 0.03175 | 200 | |
12.7 | 0.0635 | 50 | |
25.4 | 0.127 | 20 |
命名规则
34E76-60-15.875-2.54-300-B □□ | |
命名段 | 含义 |
34 | 电机外径86mm |
E | 外部驱动式 |
76 | 机身长度76mm |
60 | 额定电流6.0A |
15.875 | 丝杆直径15.875mm |
2.54 | 导程2.54mm |
300 | 丝杆长度300mm |
B | A:消隙螺母; B:刹车; C:编码器 |
□□ | 非标标识 |
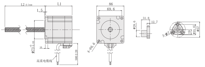
外形尺寸图(单位mm)

★本系列电机可以根据客户要求定制丝杆长度(L2) 、丝杆端部。
动态力矩曲线



★测试条件:恒流驱动,无加速度,2细分,驱动电压40V
技术参数
电机 规格 | 机身长(mm) | 相电流 (A) | 相电阻 (Ω) | 相电感 (mH) | 转动惯量 (g.c㎡) | 重量 Kg | 驱动器 |
34 | 76 | 6.0 | 0.5 | 4 | 1300 | 2.4 | SA-872E |
34 | 114 | 6.0 | 0.6 | 8 | 250 | 5.0 | SA-872E |
★ 推荐驱动器是脉冲型,还为客户提供以下驱动:
★总线型步进驱动器、★IO控制、★电位器调速。
直线丝杆(mm) | 导程(mm) | 步长(mm) | 断电自锁力(N) |
15.875 | 2.54 | 0.0127 | 2000 |
3.175 | 0.015875 | 1500 | |
6.35 | 0.03175 | 200 | |
12.7 | 0.0635 | 50 | |
25.4 | 0.127 | 20 |
命名规则
34E76-60-15.875-2.54-300-B □□ | |
命名段 | 含义 |
34 | 电机外径86mm |
E | 外部驱动式 |
76 | 机身长度76mm |
60 | 额定电流6.0A |
15.875 | 丝杆直径15.875mm |
2.54 | 导程2.54mm |
300 | 丝杆长度300mm |
B | A:消隙螺母; B:刹车; C:编码器 |
□□ | 非标标识 |
外形尺寸图(单位mm)

★本系列电机可以根据客户要求定制丝杆长度(L2) 、丝杆端部。
动态力矩曲线



★测试条件:恒流驱动,无加速度,2细分,驱动电压40V
18825289603