技术参数
电机 规格 | 机身长(mm) | 相电流 (A) | 相电阻 (Ω) | 相电感 (mH) | 转动惯量 (g.c㎡) | 重量 Kg | 驱动器 |
17 | 34 | 1.5 | 1.8 | 2.8 | 35 | 0.25 | SD-422R |
17 | 40 | 1.5 | 2.2 | 4.6 | 55 | 0.29 | SD-422R |
17 | 48 | 2.5 | 0.8 | 1.8 | 70 | 0.39 | SD-422R |
17 | 60 | 2.5 | 1.0 | 2.8 | 105 | 0.45 | SD-422R |
★ 推荐驱动器是脉冲型,还为客户提供以下驱动:
★总线型步进驱动器、★IO控制、★电位器调速。
直线丝杆(mm) | 导程(mm) | 步长(mm) | 断电自锁力(N) |
6.35 | 1.27 | 0.00635 | 150 |
3.175 | 0.015875 | 40 | |
6.35 | 0.03175 | 15 | |
12.7 | 0.0635 | 3 | |
25.4 | 0.127 | 0 |
命名规则
17E34-15-6.35-1.27-100-B □□ | |
命名段 | 含义 |
17 | 电机外径42mm |
E | 外部驱动式 |
34 | 机身长度34mm |
15 | 额定电流1.5A |
6.35 | 丝杆直径6.35mm |
1.27 | 导程1.27mm |
100 | 丝杆长度 100mm |
B | A:消隙螺母; B:刹车; C:编码器 |
□□ | 非标标识 |
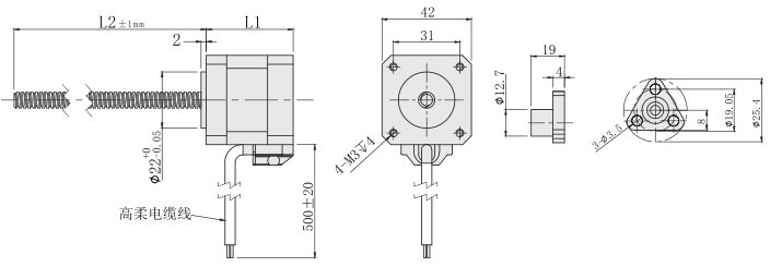
外形尺寸图(单位mm)

★本系列电机可以根据客户要求定制丝杆长度(L2) 、丝杆端部。
动态力矩曲线





★测试条件:恒流驱动,无加速度,2细分,驱动电压24V
技术参数
电机 规格 | 机身长(mm) | 相电流 (A) | 相电阻 (Ω) | 相电感 (mH) | 转动惯量 (g.c㎡) | 重量 Kg | 驱动器 |
17 | 34 | 1.5 | 1.8 | 2.8 | 35 | 0.25 | SD-422R |
17 | 40 | 1.5 | 2.2 | 4.6 | 55 | 0.29 | SD-422R |
17 | 48 | 2.5 | 0.8 | 1.8 | 70 | 0.39 | SD-422R |
17 | 60 | 2.5 | 1.0 | 2.8 | 105 | 0.45 | SD-422R |
★ 推荐驱动器是脉冲型,还为客户提供以下驱动:
★总线型步进驱动器、★IO控制、★电位器调速。
直线丝杆(mm) | 导程(mm) | 步长(mm) | 断电自锁力(N) |
6.35 | 1.27 | 0.00635 | 150 |
3.175 | 0.015875 | 40 | |
6.35 | 0.03175 | 15 | |
12.7 | 0.0635 | 3 | |
25.4 | 0.127 | 0 |
命名规则
17E34-15-6.35-1.27-100-B □□ | |
命名段 | 含义 |
17 | 电机外径42mm |
E | 外部驱动式 |
34 | 机身长度34mm |
15 | 额定电流1.5A |
6.35 | 丝杆直径6.35mm |
1.27 | 导程1.27mm |
100 | 丝杆长度 100mm |
B | A:消隙螺母; B:刹车; C:编码器 |
□□ | 非标标识 |
外形尺寸图(单位mm)

★本系列电机可以根据客户要求定制丝杆长度(L2) 、丝杆端部。
动态力矩曲线





★测试条件:恒流驱动,无加速度,2细分,驱动电压24V
18825289603