技术参数
电机 规格 | 机身长 (mm) | 相电流 (A) | 相电阻 (Ω) | 相电感 (mH) | 转动惯量 (g.c㎡) | 重量 Kg | 驱动器 |
23 | 45 | 3.0 | 0.71 | 1.9 | 150 | 0.58 | SD-545R |
23 | 55 | 3.0 | 0.86 | 2.6 | 300 | 0.71 | SD-545R |
23 | 65 | 4.0 | 0.76 | 3.2 | 400 | 0.88 | SD-545R |
23 | 75 | 4.0 | 0.90 | 4.5 | 480 | 0.95 | SD-545R |
★ 推荐驱动器是脉冲型,还为客户提供以下驱动:
★总线型步进驱动器、★IO控制、★电位器调速。
直线丝杆(mm) | 导程(mm) | 步长(mm) | 断电自锁力(N) |
9.525 | 1.27 | 0.00635 | 800 |
2.54 | 0.0127 | 300 | |
5.08 | 0.0254 | 90 | |
10.16 | 0.0508 | 30 | |
25.4 | 0.127 | 6 |
命名规则
23C45-30-9.525-1.27-100 □□ | |
命名段 | 含义 |
23 | 电机外径57mm |
C | 固定轴式 |
45 | 机身长度45mm |
30 | 额定电流3.0A |
9.525 | 丝杆直径9.525mm |
1.27 | 导程1.27mm |
100 | 丝杆长度 100mm |
□□ | 非标标识 |
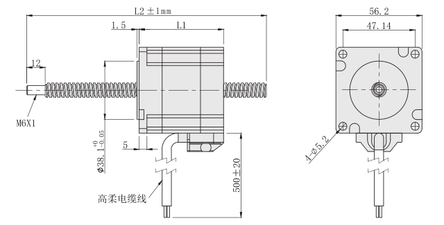
外形尺寸图(单位mm)

★出轴端部可以按要求定制加工
动态力矩曲线





★测试条件:恒流驱动,无加速度,2细分,驱动电压24V
技术参数
电机 规格 | 机身长 (mm) | 相电流 (A) | 相电阻 (Ω) | 相电感 (mH) | 转动惯量 (g.c㎡) | 重量 Kg | 驱动器 |
23 | 45 | 3.0 | 0.71 | 1.9 | 150 | 0.58 | SD-545R |
23 | 55 | 3.0 | 0.86 | 2.6 | 300 | 0.71 | SD-545R |
23 | 65 | 4.0 | 0.76 | 3.2 | 400 | 0.88 | SD-545R |
23 | 75 | 4.0 | 0.90 | 4.5 | 480 | 0.95 | SD-545R |
★ 推荐驱动器是脉冲型,还为客户提供以下驱动:
★总线型步进驱动器、★IO控制、★电位器调速。
直线丝杆(mm) | 导程(mm) | 步长(mm) | 断电自锁力(N) |
9.525 | 1.27 | 0.00635 | 800 |
2.54 | 0.0127 | 300 | |
5.08 | 0.0254 | 90 | |
10.16 | 0.0508 | 30 | |
25.4 | 0.127 | 6 |
命名规则
23C45-30-9.525-1.27-100 □□ | |
命名段 | 含义 |
23 | 电机外径57mm |
C | 固定轴式 |
45 | 机身长度45mm |
30 | 额定电流3.0A |
9.525 | 丝杆直径9.525mm |
1.27 | 导程1.27mm |
100 | 丝杆长度 100mm |
□□ | 非标标识 |
外形尺寸图(单位mm)

★出轴端部可以按要求定制加工
动态力矩曲线





★测试条件:恒流驱动,无加速度,2细分,驱动电压24V
18825289603