技术参数:
电机型号 (Model) | 保持转矩(N.M) | 机身长 (mm) | 相电流 (A) | 相电阻 (Ω) | 相电感 (mH) | 转动惯量 (g.c㎡) | 重量 Kg | 驱动器 |
24HS56-35D8PE05 □□ | 1.50 | 56 | 3.5 | 0.85 | 3.00 | 300 | 0.70 | SD-545R |
24HS65-30D8PE05 □□ | 2.10 | 65 | 3.0 | 0.65 | 1.60 | 380 | 1.00 | SD-545R |
24HS87-40D8PE05 □□ | 3.20 | 87 | 4.0 | 0.70 | 2.50 | 400 | 1.40 | SD-545R |
★ 推荐驱动器是脉冲型,还可以为客户提供以下驱动:
★ 总线型步进驱动器、IO控制、电位器调速、刹车控制。
命名规则:
24HS56-35D8PE05 □□ | |
命名段 | 含义 |
24 | 电机外径60mm |
HS | 两相步进 |
56 | 机身长度56mm |
35 | 额定电流3.5A |
D | 出轴方式:A圆轴;D单扁;U键槽;V双扁 |
8 | 输出直径8mm |
PE05 | 输出端形状比速:圆形5比 |
□□ | 非标参数 |
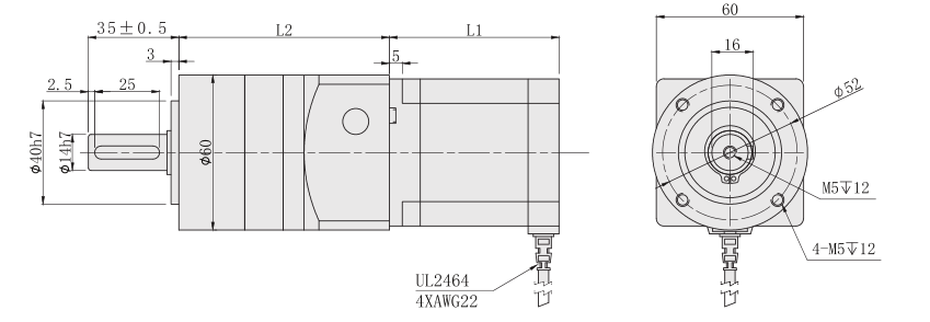
外形尺寸图:

★本系列电机可以根据客户要求定制:机身长度(L1)、出轴长度(L2)、出线方式。
★加配:断电刹车、IP65等级防水工艺。
力矩曲线图:



注意事项:
●同一电机同一驱动器,在供电电压不同的情况下,输出力矩也会不同,建议客户充分考虑此因素,选型时预留足够的力矩余量。
●驱动器电压越高,高速输出力矩越大,但不能超出驱动器的电压使用范围,建议电压小于或等于48VDC。
型号 | PDF文件 | 3D图 |
24HS56-35D8PE05 | 点击下载 | 点击下载 |
24HS65-30D8PE05 | 点击下载 | 点击下载 |
24HS87-40D8PE05 | 点击下载 | 点击下载 |
技术参数:
电机型号 (Model) | 保持转矩(N.M) | 机身长 (mm) | 相电流 (A) | 相电阻 (Ω) | 相电感 (mH) | 转动惯量 (g.c㎡) | 重量 Kg | 驱动器 |
24HS56-35D8PE05 □□ | 1.50 | 56 | 3.5 | 0.85 | 3.00 | 300 | 0.70 | SD-545R |
24HS65-30D8PE05 □□ | 2.10 | 65 | 3.0 | 0.65 | 1.60 | 380 | 1.00 | SD-545R |
24HS87-40D8PE05 □□ | 3.20 | 87 | 4.0 | 0.70 | 2.50 | 400 | 1.40 | SD-545R |
★ 推荐驱动器是脉冲型,还可以为客户提供以下驱动:
★ 总线型步进驱动器、IO控制、电位器调速、刹车控制。
命名规则:
24HS56-35D8PE05 □□ | |
命名段 | 含义 |
24 | 电机外径60mm |
HS | 两相步进 |
56 | 机身长度56mm |
35 | 额定电流3.5A |
D | 出轴方式:A圆轴;D单扁;U键槽;V双扁 |
8 | 输出直径8mm |
PE05 | 输出端形状比速:圆形5比 |
□□ | 非标参数 |
外形尺寸图:

★本系列电机可以根据客户要求定制:机身长度(L1)、出轴长度(L2)、出线方式。
★加配:断电刹车、IP65等级防水工艺。
力矩曲线图:



注意事项:
●同一电机同一驱动器,在供电电压不同的情况下,输出力矩也会不同,建议客户充分考虑此因素,选型时预留足够的力矩余量。
●驱动器电压越高,高速输出力矩越大,但不能超出驱动器的电压使用范围,建议电压小于或等于48VDC。
型号 | PDF文件 | 3D图 |
24HS56-35D8PE05 | 点击下载 | 点击下载 |
24HS65-30D8PE05 | 点击下载 | 点击下载 |
24HS87-40D8PE05 | 点击下载 | 点击下载 |
18825289603