技术参数:
电机型号 (Model) | 保持转矩 (N.M) | 机身长 L1(mm) | 相电流 (A) | 相电阻 (Ω) | 相电感 (mH) | 转动惯量 (g.c㎡) | 重量 Kg | 驱动器 |
17HS34-15D5B-24□□ | 0.27 | 34 | 1.50 | 2.20 | 3.50 | 35 | 0.22 | SD-422R |
17HS40-17D5B-24□□ | 0.40 | 40 | 1.70 | 1.65 | 3.30 | 40 | 0.30 | SD-422R |
17HS48-20D5B-24□□ | 0.45 | 48 | 2.00 | 1.65 | 2.80 | 68 | 0.35 | SD-422R |
刹车参数:
刹车型号 | 刹车类型 | 刹车电源电压 | 刹车功率 | 刹车响应时间 |
42刹车 | 电磁刹车 | 24VDC±5% | 3.5W | 50ms |
★ 推荐驱动器是脉冲型,还可以为客户提供以下驱动:
★ 总线型步进驱动器、IO控制、电位器调速、刹车控制。
命名规则:
17HS34-15D5B-24□□ | |
命名段 | 含义 |
17 | 电机外径42mm |
HS | 两相步进 |
34 | 机身长度34mm |
15 | 额定电流1.5A |
D | 出轴方式:A圆轴;D单扁;U键槽;V双扁 |
5 | 输出直径5mm |
B | 带刹车 |
24 | 出轴长度24mm |
□□ | 非标参数 |
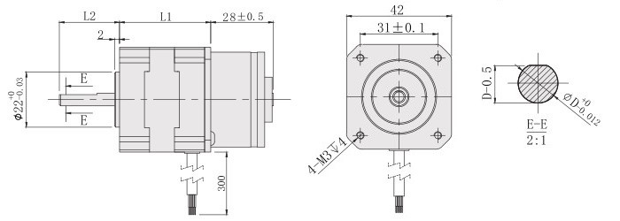
外形尺寸图:

★本系列电机可以根据客户要求定制:机身长度(L1)、出轴长度(L2)、双出轴(L3)、出线方式。
★加配:行星减速机、IP65等级防水工艺。
力矩曲线图:



注意事项:
●同一电机同一驱动器,在供电电压不同的情况下,输出力矩也会不同,建议客户充分考虑此因素,选型时预留足够的力矩余量。
●驱动器电压越高,高速输出力矩越大,但不能超出驱动器的电压使用范围,建议电压小于或等于36VDC。
型号 | PDF文件 | 3D图 |
17HS34-15D5B-24 | 点击下载 | 点击下载 |
17HS40-17D5B-24 | 点击下载 | 点击下载 |
17HS48-20D5B-24 | 点击下载 | 点击下载 |
技术参数:
电机型号 (Model) | 保持转矩 (N.M) | 机身长 L1(mm) | 相电流 (A) | 相电阻 (Ω) | 相电感 (mH) | 转动惯量 (g.c㎡) | 重量 Kg | 驱动器 |
17HS34-15D5B-24□□ | 0.27 | 34 | 1.50 | 2.20 | 3.50 | 35 | 0.22 | SD-422R |
17HS40-17D5B-24□□ | 0.40 | 40 | 1.70 | 1.65 | 3.30 | 40 | 0.30 | SD-422R |
17HS48-20D5B-24□□ | 0.45 | 48 | 2.00 | 1.65 | 2.80 | 68 | 0.35 | SD-422R |
刹车参数:
刹车型号 | 刹车类型 | 刹车电源电压 | 刹车功率 | 刹车响应时间 |
42刹车 | 电磁刹车 | 24VDC±5% | 3.5W | 50ms |
★ 推荐驱动器是脉冲型,还可以为客户提供以下驱动:
★ 总线型步进驱动器、IO控制、电位器调速、刹车控制。
命名规则:
17HS34-15D5B-24□□ | |
命名段 | 含义 |
17 | 电机外径42mm |
HS | 两相步进 |
34 | 机身长度34mm |
15 | 额定电流1.5A |
D | 出轴方式:A圆轴;D单扁;U键槽;V双扁 |
5 | 输出直径5mm |
B | 带刹车 |
24 | 出轴长度24mm |
□□ | 非标参数 |
外形尺寸图:

★本系列电机可以根据客户要求定制:机身长度(L1)、出轴长度(L2)、双出轴(L3)、出线方式。
★加配:行星减速机、IP65等级防水工艺。
力矩曲线图:



注意事项:
●同一电机同一驱动器,在供电电压不同的情况下,输出力矩也会不同,建议客户充分考虑此因素,选型时预留足够的力矩余量。
●驱动器电压越高,高速输出力矩越大,但不能超出驱动器的电压使用范围,建议电压小于或等于36VDC。
型号 | PDF文件 | 3D图 |
17HS34-15D5B-24 | 点击下载 | 点击下载 |
17HS40-17D5B-24 | 点击下载 | 点击下载 |
17HS48-20D5B-24 | 点击下载 | 点击下载 |
18825289603