技术参数:
电机型号 (Model) | 转矩 (N.M) | 机身长 (mm) | 相电流 (A) | 相电阻 (Ω) | 相电感 (mH) | 转动惯量 (g.c㎡) | 重量 Kg | 驱动器 |
ENH2302D8-21 □□ | 1.2 | 56 | 4.0 | 0.30 | 1.13 | 245 | 1.21 | SD-880R |
ENH2304D8-21 □□ | 2.2 | 76 | 4.0 | 0.42 | 1.55 | 470 | 1.62 | SD-880R |
命名规则:
ENH2304D8-21 □□ | |
命名段 | 含义 |
ENH | 闭环步进 |
23 | 电机外径57mm |
04 | 机身长度76mm |
D | 出轴方式:A圆轴;D单扁;U键槽;V双扁 |
8 | 输出直径8mm |
21 | 出轴长21mm |
□□ | 非标参数 |
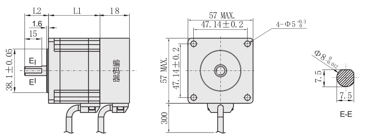
外形尺寸图(单位mm):

★本系列电机可以根据客户要求定制:机身长度(L1)、出轴长度(L2)、双出轴(L3)、出线方式。
★加配:行星减速机、断电刹车、IP65等级防水工艺。
力矩曲线图:


注意事项:
●同一电机同一驱动器,在供电电压不同的情况下,输出力矩也会不同,建议客户充分考虑此因素,选型时预留足够的力矩余量。
●驱动器电压越高,高速输出力矩越大,但不能超出驱动器的电压使用范围,建议电压小于或等于48VDC。
型号 | PDF文件 | 3D图 |
ENH2302D8-21 | 点击下载 | 点击下载 |
ENH2304D8-21 | 点击下载 | 点击下载 |
技术参数:
电机型号 (Model) | 转矩 (N.M) | 机身长 (mm) | 相电流 (A) | 相电阻 (Ω) | 相电感 (mH) | 转动惯量 (g.c㎡) | 重量 Kg | 驱动器 |
ENH2302D8-21 □□ | 1.2 | 56 | 4.0 | 0.30 | 1.13 | 245 | 1.21 | SD-880R |
ENH2304D8-21 □□ | 2.2 | 76 | 4.0 | 0.42 | 1.55 | 470 | 1.62 | SD-880R |
命名规则:
ENH2304D8-21 □□ | |
命名段 | 含义 |
ENH | 闭环步进 |
23 | 电机外径57mm |
04 | 机身长度76mm |
D | 出轴方式:A圆轴;D单扁;U键槽;V双扁 |
8 | 输出直径8mm |
21 | 出轴长21mm |
□□ | 非标参数 |
外形尺寸图(单位mm):

★本系列电机可以根据客户要求定制:机身长度(L1)、出轴长度(L2)、双出轴(L3)、出线方式。
★加配:行星减速机、断电刹车、IP65等级防水工艺。
力矩曲线图:


注意事项:
●同一电机同一驱动器,在供电电压不同的情况下,输出力矩也会不同,建议客户充分考虑此因素,选型时预留足够的力矩余量。
●驱动器电压越高,高速输出力矩越大,但不能超出驱动器的电压使用范围,建议电压小于或等于48VDC。
型号 | PDF文件 | 3D图 |
ENH2302D8-21 | 点击下载 | 点击下载 |
ENH2304D8-21 | 点击下载 | 点击下载 |
18825289603