技术参数:
电机型号 (Model) | 保持转矩 (N.M) | 机身长度 (mm) | 相电流 (A) | 相 电 阻 (Ω) | 相电感 (mH) | 转动惯量 (g.c㎡) | 重量Kg | 适配 驱动器 |
23HS56-35D8-21□□ | 1.40 | 56 | 3.5 | 0.85 | 2.50 | 220 | 0.70 | SD-545R |
23HS66-30D8-21□□ | 1.60 | 66 | 3.0 | 0.42 | 1.06 | 400 | 1.08 | SD-545R |
23HS76-42D8-21□□ | 1.80 | 76 | 4.2 | 1.13 | 3.60 | 480 | 1.20 | SD-545R |
★ 推荐驱动器是脉冲型,还可以为客户提供以下驱动:
★ 总线型步进驱动器、IO控制、电位器调速、刹车控制。
命名规则:
23HS56-35D8-21□□ | |
命名段 | 含义 |
23 | 电机外径57mm |
HS | 两相步进 |
56 | 机身长度56mm |
35 | 额定电流3.5A |
D | 出轴方式:A圆轴;D单扁;U键槽;V双扁 |
8 | 输出直径8mm |
21 | 出轴长21mm |
□□ | 非标参数 |
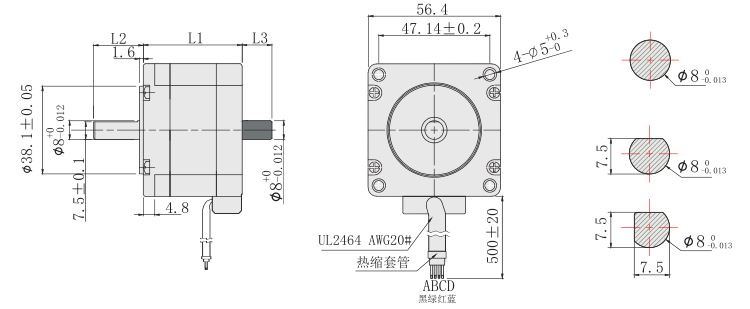
外形尺寸图(单位mm):

★本系列电机可以根据客户要求定制:机身长度(L1)、出轴长度(L2)、双出轴(L3)、出线方式。
★可加配:行星减速机、断电刹车、IP65等级防水工艺。
力矩曲线图:



注意事项:
●同一电机同一驱动器,在供电电压不同的情况下,输出力矩也会不同,建议客户充分考虑此因素,选型时预留足够的力矩余量。
●驱动器电压越高,高速输出力矩越大,但不能超出驱动器的电压使用范围,建议电压小于或等于48VDC。
型号 | PDF文件 | 3D图 |
23HS56-35D8-21 | 点击下载 | 点击下载 |
23HS66-30D8-21 | 点击下载 | 点击下载 |
23HS76-42D8-21 | 点击下载 | 点击下载 |
技术参数:
电机型号 (Model) | 保持转矩 (N.M) | 机身长度 (mm) | 相电流 (A) | 相 电 阻 (Ω) | 相电感 (mH) | 转动惯量 (g.c㎡) | 重量Kg | 适配 驱动器 |
23HS56-35D8-21□□ | 1.40 | 56 | 3.5 | 0.85 | 2.50 | 220 | 0.70 | SD-545R |
23HS66-30D8-21□□ | 1.60 | 66 | 3.0 | 0.42 | 1.06 | 400 | 1.08 | SD-545R |
23HS76-42D8-21□□ | 1.80 | 76 | 4.2 | 1.13 | 3.60 | 480 | 1.20 | SD-545R |
★ 推荐驱动器是脉冲型,还可以为客户提供以下驱动:
★ 总线型步进驱动器、IO控制、电位器调速、刹车控制。
命名规则:
23HS56-35D8-21□□ | |
命名段 | 含义 |
23 | 电机外径57mm |
HS | 两相步进 |
56 | 机身长度56mm |
35 | 额定电流3.5A |
D | 出轴方式:A圆轴;D单扁;U键槽;V双扁 |
8 | 输出直径8mm |
21 | 出轴长21mm |
□□ | 非标参数 |
外形尺寸图(单位mm):

★本系列电机可以根据客户要求定制:机身长度(L1)、出轴长度(L2)、双出轴(L3)、出线方式。
★可加配:行星减速机、断电刹车、IP65等级防水工艺。
力矩曲线图:



注意事项:
●同一电机同一驱动器,在供电电压不同的情况下,输出力矩也会不同,建议客户充分考虑此因素,选型时预留足够的力矩余量。
●驱动器电压越高,高速输出力矩越大,但不能超出驱动器的电压使用范围,建议电压小于或等于48VDC。
型号 | PDF文件 | 3D图 |
23HS56-35D8-21 | 点击下载 | 点击下载 |
23HS66-30D8-21 | 点击下载 | 点击下载 |
23HS76-42D8-21 | 点击下载 | 点击下载 |
18825289603